患癌女子离世前将三千万元遗产给未成年女儿,千万股权遗赠异性朋友!前夫怒告,法院判了
2023年4月,广东深圳的蒋女士因卵巢癌去世。在离世前,她首先立遗嘱将价值不菲的公司股权遗赠给朋友王先生,之后立遗嘱将约三千万元的财产由其两位女儿继承。蒋女士的母亲未分得遗产,弟弟分得当时价值约150万元的房产一套。在离世前一个月,蒋女士与第三任丈夫张先生协议离婚,张先生分得1000多万元的财产。
让张先生不解的是,蒋女士将夫妻俩女儿指定王先生为监护人,交由王先生抚养,遗嘱的执行人是王先生的妻子卢女士。为此,张先生将王先生和遗嘱执行人卢女士告上法院。
今年1月,张先生收到了南山区人民法院的判决书。
女子离世前不到一个月离婚
分了1000多万元给前夫
张先生表示,他原是某211大学的特聘副教授,2016年,在国外与前妻蒋女士展开了一段姻缘。2017年,时年47岁的蒋女士与42岁的张先生在广东深圳登记结婚,两人有两个法定女儿。甜蜜的婚姻生活并未持续太久,2023年3月6日,双方签订《离婚协议书》并办理离婚登记。

张先生的特聘副教授证书。
根据离婚协议,两个女儿均由蒋女士直接抚养,张先生无需支付抚养费。财产分割方面,蒋女士名下深圳市3套房产、惠州市1套房产归张先生所有,蒋女士还向张先生支付补偿款共计230万元。张先生表示,按照当时房产估计,他分得的财产价值1000多万元。蒋女士去世后,张先生先后获得3套深圳房产和15万元现金。
张先生提供的离婚协议显示,他们协议离婚时,距离蒋女士离世仅剩不到一个月。

张先生的博士学位证书。
张先生表示,在成为蒋女士丈夫前他未结过婚,他是蒋女士的第三任丈夫。记者查阅蒋女士经过公证的遗嘱,其中列明了蒋女士的三段婚姻中的丈夫姓名。
女子将三家公司和女儿的监护权
都给了朋友王先生
在与张先生离婚前,2023年1月30日,蒋女士已订立一份公证遗嘱,将其名下深圳市某公司、广东某公司、某设备公司的股权及相应权益,全部遗赠给朋友王先生。根据法院的相关文书,王先生是蒋女士合作了15年的朋友。张先生表示,王先生也是公司的负责人。
蒋女士的遗嘱中写道:“我希望,在我去世后,王先生能在力所能及的范围内尽量照顾我的两个未成年女儿至成年,给予她们爱和关心、引导。”

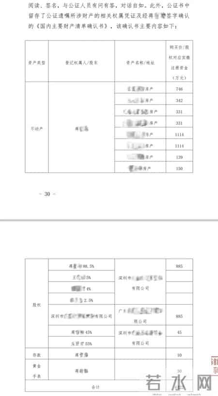
法院文书上的遗产清单
2023年3月5日,即离婚前一天,蒋女士又订立一份自书遗嘱,指定王先生为两个女儿的第一顺位监护人,自己的表妹黄女士为第二顺位监护人。在蒋女士去世前几天,蒋女士立下新遗嘱,指定王先生的妻子卢女士作为遗嘱执行人。
根据蒋女士的遗嘱,蒋女士将价值三千万元的多套深圳房产和存款由两个女儿继承,房产待女儿22周岁继承,而管理遗产人是卢女士。
法律文书显示,除了房产,蒋女士在国内外拥有存款760多万元,在蒋女士死后,海外账户发生了被盗的情况,卢女士向法院表示已报案处理。尽管张先生指控卢女士对此应负责,但没有证据显示卢女士与蒋女士海外账户被盗相关。
女子母亲未获遗产
弟弟获150万元房产
前夫认为遗嘱不合常理
张先生表示,自己是在蒋女士离世后才知道财产分配和女儿监护权的详细安排。
最让他难以接受的是两个女儿的监护权问题。“两个女儿是我与蒋女士的法定女儿,却将监护权交到了王先生手中。”在蒋女士去世几天后,两个女儿交由张先生抚养。
张先生表示蒋女士曾患有精神疾病,认为她订立遗嘱时可能存在神志不清的情况。深圳市龙华区民治街道办事处曾发放给他一笔款项,交易附言备注为“蒋某某严重精神障碍患者监护人补贴”,交易时间为2017年10月18日。
记者查阅发现,蒋女士在遗嘱中称“本人书写本遗嘱时神志清醒,本遗嘱是我本人的真实意思表示。”法院向深圳市康宁医院调取的病历资料显示,蒋女士曾在2015年~2022年就诊12次,先后诊断为“焦虑抑郁状态”“双相情感障碍?”“多动性障碍”。张先生称,蒋女士的母亲未分得一分钱遗产,弟弟也只分得150万元的房产,这些安排“不合常理”:遗嘱中蒋女士的弟弟分得重庆1套价值150万元的房产,而她的母亲未在遗嘱中获得财产分配。
前夫要求女子朋友返还公司
2025年,张先生以自己和两个女儿的名义,将王先生和遗嘱第一执行人卢女士告上法院,要求两被告将已登记到王先生名下的三家公司股权全部移交和过户给张先生,或支付股权收益款380万元(暂计算至2025年3月),并每月支付抚养费102500元至两女儿22岁止,每月支付3.8万元至按揭款付清止,每月支付监护风险成本2.2万元至18岁止。

资料图。
张先生在法庭上主张,蒋女士的遗赠是“附义务遗赠”,所附义务即为“抚养两个未成年女儿至成年,并且尽到监护人义务”。他认为,遗嘱中的“希望”一词实质上是“恳切的要求”,具有法律上的约束力。
张先生称,“如果异性双方仅仅因同事关系而没有情侣关系的巨额金钱财产的遗赠无附义务行为,不具有正当理由;如基于情侣感情关系,既损害被继承人利益,又违反公序良俗。”
被告:“遗赠附义务”无事实及法律依据
面对张先生的指控,王先生和卢女士辩称,张先生及两个未成年女儿小开、小欣主张“遗赠附义务”无事实及法律依据。公证遗嘱明确记载“无附加条件”,“希望照顾子女”仅为情感寄托,不构成法律义务。多份遗嘱效力无冲突,遗赠行为合法有效。遗嘱内容相互独立,内容无抵触,无因果关系,张先生及小开、小欣主张“结合为遗赠扶养协议”无法律依据,遗嘱不违反公序良俗。蒋女士通过公证遗嘱处分个人财产,符合我国民法典第1133条遗嘱自由原则,且未侵害未成年人必要遗产份额。他们还称,张先生身份无法律依据,多次以相同事实起诉,均遭败诉,仍重复主张,构成滥用诉权。
法院判决:蒋女士遗嘱有效
遗赠给王先生的公司股权无附带抚养义务
今年1月,张先生收到法院判决书。南山区人民法院经审理认为,案件为遗赠纠纷。根据我国民法典规定,遗嘱继承或者遗赠附有义务的,继承人或者受遗赠人应当履行义务。但本案中,蒋女士在遗嘱中表述的“希望”王先生照顾其女儿,并非对接受遗赠设定的条件和义务。

法院认为,蒋女士在遗嘱中将王先生指定为监护人时,“完全未提及遗赠的相关内容”,因此两份遗嘱相互独立,不存在附义务遗赠的情形。
法院最终驳回了张先生及两个女儿的诉讼请求,案件受理费73400元由原告承担。判决书显示,在蒋女士去世后的2023年4月28日,她在深圳市某公司的股权已变更登记到王先生名下。广东某公司是深圳市某公司的全资子公司,而深圳市某设备有限公司现已注销。
此外,南山区人民法院另一份判决也驳回了张先生撤销卢女士遗嘱执行人和遗产管理人资格的主张,认定蒋女士的遗嘱真实有效,同时也认定张先生是两个女儿的监护人、法定代理人,支持惠州房产过户给张先生,并支付部分款项给张先生。
1月30日,张先生表示,将继续寻求法律救济。
转自:广州日报
编辑:封
一审:马慧丽 二审:孙瑞永 三审:管延会
本文标题:患癌女子离世前将三千万元遗产给未成年女儿,千万股权遗赠异性朋友!前夫怒告,法院判了
本文链接:http://www.gzlysc.com/falv/7074.html
声明:本站所有文章资源内容,如无特殊说明或标注,均为采集网络资源。如若本站内容侵犯了原著者的合法权益,可联系本站删除。
